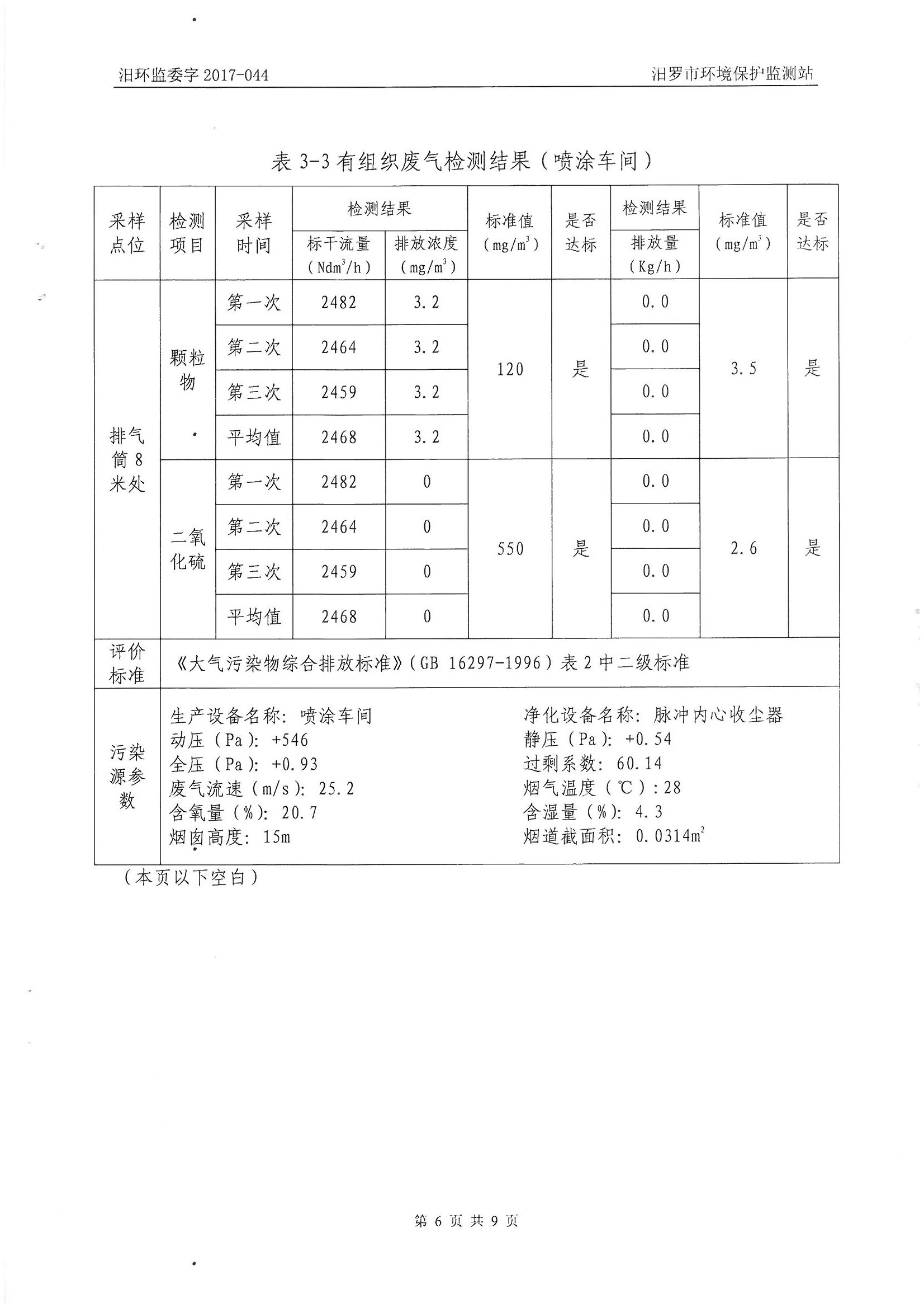
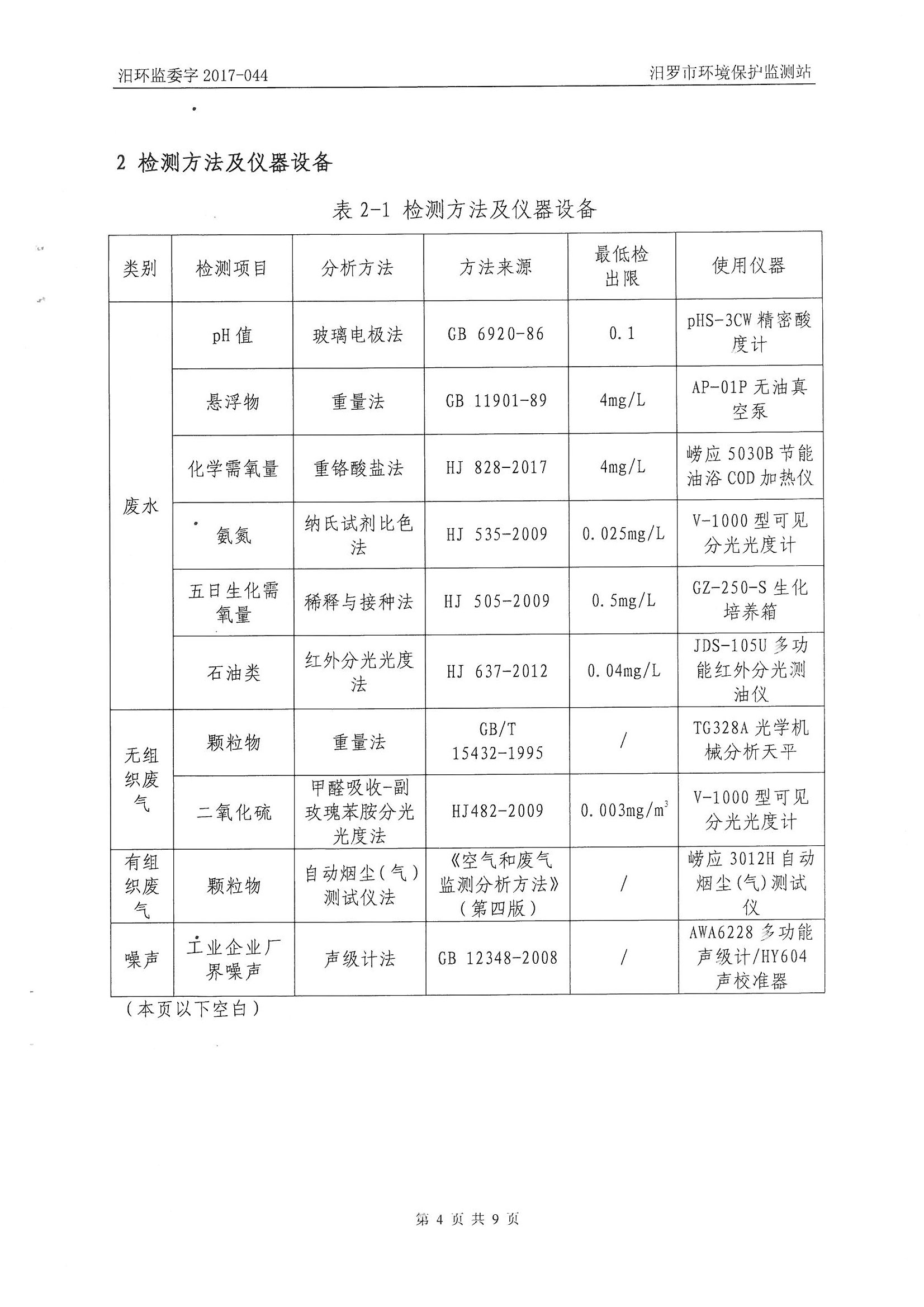
星空官方站网站

星空官方站网站-星空(中国)环保监测报告








Copyright © 2014-2016 星空官方站网站-星空(中国) 版权所有 湘ICP备17016185号 执照认证链接